• 网站首页
  • 公司简介
  • 产品展示
  • 产品目录
  • 企业动态
  • 联系我们
  • 电子邮局

产品展示

  • 智能润滑
  • 电动润滑泵
  • 手(脚)动润滑泵
  • 加油泵
  • 双线分配器
  • 单线分配器
  • 换向阀、操纵阀及其附件
  • 稀油润滑装置及稀油站
  • 稀油润滑元件
  • 管件部分
  • 油气润滑元件

联系方式

电话:0513-83325673 传真:0513-83119878 手机:13862978163 地址:江苏省启东市汇龙镇中央河中路691号E-mail:13862978163@126.com
 
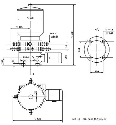
DDB系列多点干油泵(10MPa)

一、概述
DDB系列多点干油泵适用于润滑频率极低、润滑点不超过50点,公称压力为10MPa的多线干油集中润滑系统中。直接或通过单线片式给油器向各润滑点供送润滑脂的装置,特别适用于破碎机、锻压机床、码头行吊,印刷机等小型的单机设备。

二、技术参数

型号
公称压力MPa
每口给油量ml/次
给油次数/min
贮油器容积l
电动机功率kW
重量kg
DDB-10
10
10
0-0.2
13
7
0.37
19
DDB-18
18
23
0.75
75
DDB-36
36
80
使用介质为锥入度不低于265(25℃,150g)1/10mm 的润滑脂(NLGI0#~2#)。工作环境温度0~40℃。
 
三、 外形尺寸                      
   
      DDB-10多点干油泵                    DDB-18、DDB-36多点干油泵
 
四、型号标注说明
 
五、使用说明
1、该系列多点干油泵应安装在环境温度合适,灰尘少,便于补脂、调整、检查、维护保养等都方便的场合。
2、DDB系列多点干油泵使用前先向一级减速箱内加入HL-20 齿轮油至油标规定液面。
3、向干油泵贮油器内补脂必须使用SJB-D60型手动加油泵或DJB-200型电动加油泵从贮油器的加油口加入,注意在贮油器内无润滑脂时严禁启动电机运转。
4、按贮油桶壁上旋向牌规定的旋向进行电机接线,不得反转。
5、加油口的过滤网精度不低于0.2mm,应定期清洗。
6、干油泵应经常保持清洁,严禁揭盖补脂以免脏物进入泵体内,影响正常工作。
 
网站首页 公司简介 产品展示 产品目录 企业动态 联系方式
电话:0513-83325673 传真:0513-83119878  手机:13862978163         智能润滑
地址:江苏省启东市汇龙镇中央河中路691号 邮编:226200  E-mail:13862978163@126.com 
版权所有:南通沃尔驰石化工程有限公司