• 网站首页
  • 公司简介
  • 产品展示
  • 产品目录
  • 企业动态
  • 联系我们
  • 电子邮局

产品展示

  • 智能润滑
  • 电动润滑泵
  • 手(脚)动润滑泵
  • 加油泵
  • 双线分配器
  • 单线分配器
  • 换向阀、操纵阀及其附件
  • 稀油润滑装置及稀油站
  • 稀油润滑元件
  • 管件部分
  • 油气润滑元件

联系方式

电话:0513-83325673 传真:0513-83119878 手机:13862978163 地址:江苏省启东市汇龙镇中央河中路691号E-mail:13862978163@126.com
 
DB-N系列单线润滑泵(31.5MPa)JB/T8810.2-1998

一、使用条件
DB-N(ZB)系列的多点润滑泵适用于润滑频率较低,润滑点在50点以下,公称压力为31.5MPa的单线式中小型机械设备集中润滑系统中,直接或通过单线分配器向各润滑点供送润滑脂的输送供油装置。
该泵适用于冶金,矿山、港口、运输、建筑等设备。

二、技术参数

型 号
公称压力MPa
贮油器容积L
公称流量mL/min
电机
重 量kg
功率kW
电压V
DB-N25
31.5
30
0~25
0.37
380
37
DB-N45
0~45
39
DB-N50
0~50
37
DB-N90
0~90
39

使用介质为锥入度不低于265(25℃,150g)1/10mm的润滑脂或粘度等级大于N68的润滑油,工作环境温度为-20~80℃。


三、型号说明                          四、图形符号  
          
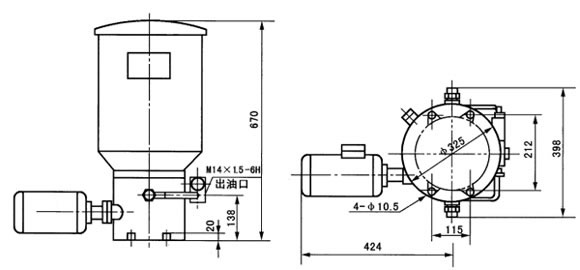
五、外形尺寸
 
 
六、使用说明
1、多点润滑泵应安装在环境温度合适,灰尘少,便于补脂检查、维护保养等都方便的场合。
2、向贮油器内补脂必须使用加油泵从贮油器的加油口注入,严禁揭盖加入不经过滤的工作介质。
3、按贮油器筒壁上旋向牌规定的旋向进行电机接线,不得反转。
4、给油口数可在1~14 范围内任意选择,根据设备需要不用的柱塞泵元件可以自行拆下,螺孔用M20×1.5螺塞封堵即可。
网站首页 公司简介 产品展示 产品目录 企业动态 联系方式
电话:0513-83325673 传真:0513-83119878  手机:13862978163         智能润滑
地址:江苏省启东市汇龙镇中央河中路691号 邮编:226200  E-mail:13862978163@126.com 
版权所有:南通沃尔驰石化工程有限公司