• 网站首页
  • 公司简介
  • 产品展示
  • 产品目录
  • 企业动态
  • 联系我们
  • 电子邮局

产品展示

  • 智能润滑
  • 电动润滑泵
  • 手(脚)动润滑泵
  • 加油泵
  • 双线分配器
  • 单线分配器
  • 换向阀、操纵阀及其附件
  • 稀油润滑装置及稀油站
  • 稀油润滑元件
  • 管件部分
  • 油气润滑元件

联系方式

电话:0513-83325673 传真:0513-83119878 手机:13862978163 地址:江苏省启东市汇龙镇中央河中路691号E-mail:13862978163@126.com
 

GPF-8型干油喷射控制阀(0.6MPa)

一、使用条件
干油喷射控制阀适用于空气压力为0.45~0.6MPa 的干油喷射润滑系统中,用于控制油路和气路的干油喷射嘴。
该阀与干油喷射嘴配合使用,组成干油喷射润滑装置时,该阀与手动润滑泵连接长度不得大于1 米。




二、技术参数
型号
空气压力Mpa
进气口公称直径DN
重量kg
GPF-8
0.45-0.6
8
1.1

使用介质为锥入度不低于300(25℃,150g)1/10mm 的润滑脂。
 
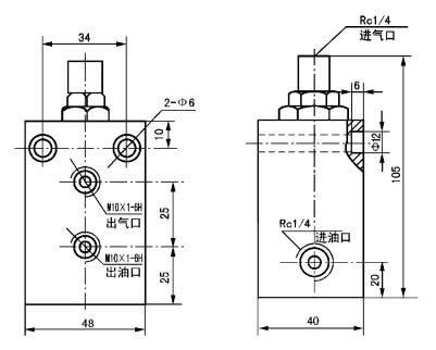
三、外形尺寸
 

四、使用说明
1、使用的润滑脂必须经过过滤,质地均匀,并在规定的锥入度范围内。
2、进气管路中必须设置气动三大件,保证空气的洁净、干燥、衡压。
3、输剂管内不许进入空气,以免影响喷雾。

 
.
网站首页 公司简介 产品展示 产品目录 企业动态 联系方式
电话:0513-83325673 传真:0513-83119878  手机:13862978163         智能润滑
地址:江苏省启东市汇龙镇中央河中路691号 邮编:226200  E-mail:13862978163@126.com 
版权所有:南通沃尔驰石化工程有限公司