• 网站首页
  • 公司简介
  • 产品展示
  • 产品目录
  • 企业动态
  • 联系我们
  • 电子邮局

产品展示

  • 智能润滑
  • 电动润滑泵
  • 手(脚)动润滑泵
  • 加油泵
  • 双线分配器
  • 单线分配器
  • 换向阀、操纵阀及其附件
  • 稀油润滑装置及稀油站
  • 稀油润滑元件
  • 管件部分
  • 油气润滑元件

联系方式

电话:0513-83325673 传真:0513-83119878 手机:13862978163 地址:江苏省启东市汇龙镇中央河中路691号E-mail:13862978163@126.com
 
Y型系列过滤器(4~10MPa)
一、使用条件
  Y型系列过滤器是石油、化工等输送管线上必不可少的设备,具有结构紧凑,使用方便,过滤能力大,压力损失小,安全可靠,价格低廉等优点。本产品规格齐全,适用性强,若将它安装在泵的入口或系统管线的有关部位,可提高泵及设备的使用寿命,又能保证整个系统安全稳定的运行。
  过滤器是从流体中分离固体颗粒的过程,通常在压差推动下,迫使流、固相混合物通过过滤介质使固体颗粒截留于介质上,达到使流体和固体互相分离的功能。
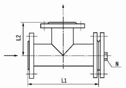
二、技术参数及外形尺寸
YZ- Ⅰ型(4MPa)
公称直径DN
D0
L
H
管塞螺纹N
15
Rc1/2″
120
160
ZG1/4″
20
Rc3/4″
130
170
ZG1/4″
25
Rc1″
140
175
ZG1/4″
32
Rc1 1/4″
170
185
ZG1/4″
40
Rc1 1/2″
190
195
ZG1/4″
50
Rc2″
220
210
ZG3/8″
YZ-Ⅰ型为整体铸造螺纹连接式过滤器(DN15~50,PN≤4.0MPa)
YZ- Ⅱ型(10MPa)
公称直径DN
D0
L
H
管塞螺纹N
15
21.8/18.5
120
170
ZG1/4″
20
27.4/25.5
130
180
ZG1/4″
25
34.2/32.5
140
185
ZG1/4″
32
42.9/38.5
170
210
ZG1/4″
40
48.8/48.5
190
220
ZG1/4″
YZ-Ⅱ型为整体铸造承插焊连接式过滤器(DN15~40,PN≤10.0MPa)
Y- Ⅰ型(5MPa)
型 号
公称直径DN
公称压力PN
L
H
管塞螺纹N
Y15-I
15
260
180
ZG1/4″
Y20-I
20
270
190
ZG1/4″
Y25-I
25
≤5.0MPa
270
190
ZG1/4″
Y32-I
32
280
230
ZG1/4″
Y40-I
40
280
230
ZG1/4″
Y-Ⅰ型为焊接型法兰连接式过滤器(DN15~40,PN≤5.0MPa)
Y-Ⅱ型(5MPa)
公称直径DN
L
H
管塞螺纹N
50
290
245
ZG3/8"
65
320
280
ZG3/8"
80
350
315
ZG3/8"
100
425
360
ZG3/8"
150
540
460
ZG3/4"
200
700
540
ZG3/4"
250
800
660
M20×1.5
300
950
750
M20×1.5
350
1050
845
M20×1.5
400
1250
920
M20×1.5
Y-Ⅱ型焊接型法兰连接式过滤器
Y-Ⅲ型(5MPa)
公称直径DN
L
H
管塞螺纹N
80
330
150
ZG3/8"
100
360
160
ZG3/8"
150
440
200
ZG3/4"
200
540
230
ZG3/4"
250
600
270
M20×1.5
300
680
300
M20×1.5
350
750
340
M20×1.5
400
850
380
M20×1.5
Y-Ⅲ型焊接型法兰连接式过滤器
三、型号标注说明
四、工作原理
  Y-Ⅰ型、Y-Ⅱ型,它们是由主管和支管按一定角度焊接而成,当液体进入置有相应规格滤网的滤筒后,其微小杂质滤至支管底部,而滤液则由过滤器出口排出。
  Y-Ⅲ型它安装在管线转弯处,当流体进入滤筒后,滤液能转过90°从出口排出。清洗时,旋开支管底部的旋塞或拆卸开板即可。
五、滤网规格及各部分材质
滤 网 规 格
目数/英寸
20
30
40
60
80
100
丝径(mm)
0.417
0.315
0.213
0.122
0.102
0.081
净孔径(mm)
0.853
0.532
0.422
0.301
0.216
0.173
有效面积%
45
40
45
51
47
46
网站首页 公司简介 产品展示 产品目录 企业动态 联系方式
电话:0513-83325673 传真:0513-83119878  手机:13862978163         智能润滑
地址:江苏省启东市汇龙镇中央河中路691号 邮编:226200  E-mail:13862978163@126.com 
版权所有:南通沃尔驰石化工程有限公司