• 网站首页
  • 公司简介
  • 产品展示
  • 产品目录
  • 企业动态
  • 联系我们
  • 电子邮局

产品展示

  • 智能润滑
  • 电动润滑泵
  • 手(脚)动润滑泵
  • 加油泵
  • 双线分配器
  • 单线分配器
  • 换向阀、操纵阀及其附件
  • 稀油润滑装置及稀油站
  • 稀油润滑元件
  • 管件部分
  • 油气润滑元件

联系方式

电话:0513-83325673 传真:0513-83119878 手机:13862978163 地址:江苏省启东市汇龙镇中央河中路691号E-mail:13862978163@126.com
 
HZJ系列管夹
一、概述
  HZJ系列管夹是目前国内管夹中综合指标最佳的系列产品。适用于液压、润滑、气动和高压水系统管子的固定。系统工作压力可达40MPa;工作温度-40~+250℃;适用管子外径范围较宽,可从F6mm~F426mm。尤其对于具有振动源区域更经济合理又安全可靠。它广泛应用于冶金、矿山、化工、煤炭、重型机械、工程机械和农业机械等行业的液压、润滑、气动和高压水系统管路。
二、特 点
  1、HZJ系列管夹具有抗振动、抗冲击、夹持力强度高、重量轻、耐腐蚀、耐高温、使用寿命长等特点。管夹主体材料采用高牌号球墨铸铁精铸而成;夹持面衬垫胶圈(板)材料根据工作温度确定:工作温度小于或等于100℃时,采用普通橡胶;工作温度大于100℃小于150℃时,采用丁氰橡胶,工作温度大于150℃小于250℃时,采用氟橡胶制造。底板材料采用整体钢板制造,确保了底板与管夹、底板与基面(支架)或机体的连接强度。管夹与底板连接采用两只螺栓(螺柱)紧固,便于维修或保养时的拆装。
  2、HZJ系列管夹与国内外的塑料管夹、铝合金管夹、钢(钢板)管夹相比,使用寿命是塑料管夹的50倍,是铝合金管夹的30倍,是钢板管夹的15倍。
  3、HZJ系列管夹现有22个规格,62种管径,适用管子外径为F6mm~F426mm。
  4、根据水平排列固定管子的数量不同,每种规格有两类管夹,即单管夹和双管夹,根据管夹与基面(支架)或机体连接方式不同,每种规格的管夹有带底板和不带底板两种。
  5、根据管子上下排列的层数不同,同一规格的管夹有单层和双层两种,如排列需超出双层以上的层数时,订货时请提出,上层管夹数量应等于或小于下层管子数。
  6、HZJ系列管夹外表面涂黑色或黄色油漆,亦可根据用户需要涂油漆。
三、型号说明:
1、型 号:
2、标记示例:
  (1)单管夹,单层,管径D=18,带底板
  管夹1HZJ50-18B
  (2)单管夹,双层,上层管径D1=18,下层管径D2=22,带底板
  管夹1HZJ50-18/22B
  (3)双管夹,单层,管径不同,D1=18,D2=22,带底板
  管夹2HZJ50-18、22B
  (4)双管夹,单层,管径相同,D1=D2=18,带底板
  管夹2HZJ50-2×18B
  (5)双管夹,单层,管径相同,D1=D2=18,不带底板
  管夹2HZJ50-2×18
  (6)双管夹,双层,管径不同,上层管径D1=16,D2=18,下层管径D2=20,D4=22,带底板
  管夹2HZJ-16、18/20、22B
  (7)双管夹,双层,每层管径相同,上层管径D1=D2=18,下层管径D3=D4=22,带底板
  管夹2HZJ-2×18/2×22B
  (8)单、双管夹,双层,上层为单管夹,管径D1=18,下层为双管夹,管径D2=D3=22,带底板
  管夹1/2HZJ50-18/2×22B
  (9)双管夹,双层,管径D1=16,D2=18, D3=D4=22,带底板
  管夹2HZJ50-16、18/2×22B
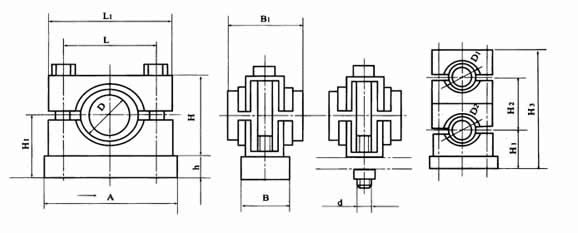
四、外形尺寸:
1、单管夹
双层
2、双管夹
双层
>> 下一页
网站首页 公司简介 产品展示 产品目录 企业动态 联系方式
电话:0513-83325673 传真:0513-83119878  手机:13862978163         智能润滑
地址:江苏省启东市汇龙镇中央河中路691号 邮编:226200  E-mail:13862978163@126.com 
版权所有:南通沃尔驰石化工程有限公司