• 网站首页
  • 公司简介
  • 产品展示
  • 产品目录
  • 企业动态
  • 联系我们
  • 电子邮局

产品展示

  • 智能润滑
  • 电动润滑泵
  • 手(脚)动润滑泵
  • 加油泵
  • 双线分配器
  • 单线分配器
  • 换向阀、操纵阀及其附件
  • 稀油润滑装置及稀油站
  • 稀油润滑元件
  • 管件部分
  • 油气润滑元件

联系方式

电话:0513-83325673 传真:0513-83119878 手机:13862978163 地址:江苏省启东市汇龙镇中央河中路691号E-mail:13862978163@126.com
 
TRSYQZ-*-*型双线油-气供应站
一、结构特点及应用范围
  TRSYQZ-*-*型双线油-气供应站,是集润滑油液储存、增压过滤双线供送、压缩空气处理和PLC电气控制于一体的机电仪一体化产品,适用于双线式油气润滑系统中。
二、性能参数
型 号
公称压力
油箱容积
电加热器功率
空气压力
TRSYQZ-*-*
10MPa
500L
4kW
0.4~0.6MPa
三、外形图
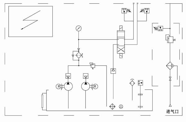
四、原理图
五、型号说明
六、功能说明
  该站主要由油箱(带电加热器、液位计、电接点温度计、空气滤清器、液位控制器)、两台高压油泵装置(一备一用)、溢流阀、电磁阀、过滤器、压力控制器以及气动三联件和PLC电气控制柜等组成。在电动机的牵引下油泵工作,从油箱内吸入润滑油加压排出,途径单向阀、过滤器和三位四通电磁阀后向双线系统管线供送。正常工作时,一台高压油泵常开工作,另一台备用,可通过电气转换开关来选择使用,并可通过按钮开关人工启动和停止油泵。PLC电气控制箱对油气系统实行程序化全自动控制,还可向主控室提供系统“运行”、“停止”、“故障”等远程信号接口。
七、使用要领
  1、油-气供应站应安装在灰尘少、振动小、通风干燥、环境温度适中,且便于调整、检查、维护和方便补油的地方。
  2、油泵电机的旋向是单向的,使用时必须按电机外的旋向牌规定的旋向接线使用。
  3、 油箱油位低时应及时从空气滤清器的过滤网处加入同牌号的润滑油,油位到达低油位时电气连锁油泵不能启动,严禁人工在无油或低位以下时启动油泵工作。
  4、空气处理单元的进气接口必须与工厂压缩空气(允许使用氮气)供气管线相接,决不允许使用其它介质的气体,以免发生安全事故。
  5、油-气供应站正常环境情况下工作,油箱电加热一般不投入使用,只有在冬季北方地区气温偏低情况下,为适当降低油的粘度才启动电加热对箱内油液进行加热。
  6、油过滤器差压信号报警时,维护人员应及时清洗或更换滤芯。
  7、油泵出口处的安全调压阀,无故不允许调节,决不允许调高至公称压力值以上使用。
  8、PLC电气控制箱经调试工作正常后,无故不许随意修改或调整程序。
网站首页 公司简介 产品展示 产品目录 企业动态 联系方式
电话:0513-83325673 传真:0513-83119878  手机:13862978163         智能润滑
地址:江苏省启东市汇龙镇中央河中路691号 邮编:226200  E-mail:13862978163@126.com 
版权所有:南通沃尔驰石化工程有限公司