• 网站首页
  • 公司简介
  • 产品展示
  • 产品目录
  • 企业动态
  • 联系我们
  • 电子邮局

产品展示

  • 智能润滑
  • 电动润滑泵
  • 手(脚)动润滑泵
  • 加油泵
  • 双线分配器
  • 单线分配器
  • 换向阀、操纵阀及其附件
  • 稀油润滑装置及稀油站
  • 稀油润滑元件
  • 管件部分
  • 油气润滑元件

联系方式

电话:0513-83325673 传真:0513-83119878 手机:13862978163 地址:江苏省启东市汇龙镇中央河中路691号E-mail:13862978163@126.com
 
AVE型油气分配混合器
一、结构特点及应用范围
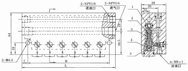
  AVE型油气分配混合器,它是一种由铝合金材料制造的容积定量式结构的油气分配混合器,设有一个进油口、一个进气口、1~8个油气出口。主要适用于单线卸压式油气润滑系统中。
二、技术参数
型 号
进油压力
进气压力
油气出口数
L
H
AVE1-*
>2MPa
0.4~0.6MPa
1
44
30
AVE2-*/*
2
64
50
AVE3-*/*/*
3
84
70
AVE4-*/*/*/*
4
104
90
AVE5-*/*/*/*/*
5
124
110
AVE6-*/*/*/*/*/*
6
144
130
AVE7-*/*/*/*/*/*/*
7
164
150
AVE8-*/*/*/*/*/*/*/*
8
184
170
给油系列号*
排 量
10
0.1ml/cycle
20
0.2ml/cycle
30
0.3ml/cycle
40
0.4ml/cycle
  适用过滤精度25m,粘度≤760cSt/40℃的润滑油;环境温度0℃~40℃。
1-密封垫 2-阀芯 3-阀套 4-弹簧 5-橡胶球
三、型号说明
四、动作说明
  从进油口处进入的压力油,在油压的作用下件1下移,紧贴在件2上端面封住了通油通道,同时打开了进油通道向件3上腔充油,件3在油压作用下克服件4弹簧力向下移动,则件3下腔的油顶开件5进入混合腔,在压缩空气的作用下经混合后的油气从油气出口排出。供油主管卸荷后,件1上部油压低并且件3在件4的作用下向上回位,件3上腔充入的油经已打开的件2上端面流道孔进入件3下腔储存,为下一循环供油作好准备。各口的供气量可通过节流螺丝的开口大小进行调节。
五、使用要领
  1、必须在规定的环境下使用规定范围的介质。
  2、压缩空气接口必须与本油气系统专属的压缩空气网络管路连接,严禁与其它来历不明的气源管路连接,以免发生意外。
  3、油气分配混合器的安装位置优先考虑安装在工况条件好,温差弯化小,无腐蚀性介质影响的部位,决不允许安装在长时间受高温辐射烘烤的场合使用。
网站首页 公司简介 产品展示 产品目录 企业动态 联系方式
电话:0513-83325673 传真:0513-83119878  手机:13862978163         智能润滑
地址:江苏省启东市汇龙镇中央河中路691号 邮编:226200  E-mail:13862978163@126.com 
版权所有:南通沃尔驰石化工程有限公司