
智能润滑系统 |
一、概 述
智能润滑的主要特点如下:
四、主要参数 3、循环间隔时间 0~255×0.5小时 根据需要用户设置
五、常见故障处理方法
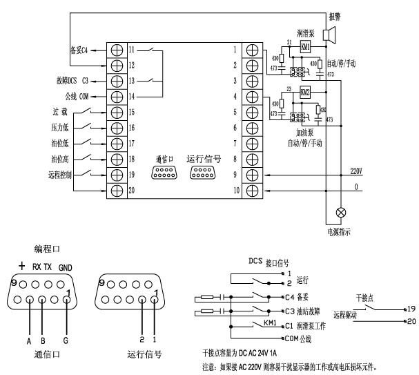
ZN-1微电脑显示控制是智能润滑系统的核心控制器,系统的所有功能都可以在这个人机界面上操控。
电子流量控制器是由阀体,驱动电机,检测开关,控制电路等部分组成。
智能润滑电控箱内的微电脑控制器是润滑系统的核心组件,它接到润滑泵,加油泵、液位开关、压力开关、流量控制器和中控室的DCS。
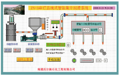
一、主画面—自动运行
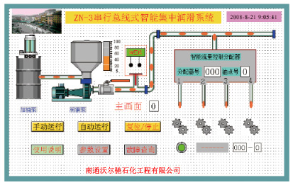
二、手动运行
三、间隔期间运行 五、故障信息查询
|